
- Машина за миене на стъклени бутилки VK-BR
- Маслоналивна машина VK-PF 4 глави
- Машина за вакуумно затваряне VK-VC
- Машина за етикетиране на кръгли бутилки VK-RPL
Напълно автоматичната линия за пълнене може да бъде персонализирана според изискванията на клиента и пробите, предлагани от купувача. По-долу е изброена основната информация за тази напълно автоматична линия за пълнене за хранително-вкусовата промишленост:
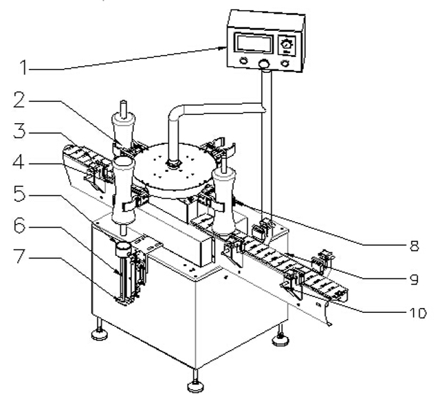
Стъклени бутилки Air Washing Machien Вакуумно оборудване за миене
Това е автоматична машина за миене на бутилки по въздух. капацитетът зависи от дюзите за измиване на въздуха.
Въздушният компресор транспортира въздуха вътре във вакуумния контейнер, газът през електромагнитния клапан и генераторът на йони е пречистен, трахеалният газов шампоан издухва газ в бутилки през устата за промиване на газ, издухва чужди частици от устата за промиване на газ чрез налягането на газа, обратно трахеалните изчерпани отпадъчни газове навън чрез контрол на емисиите.

| 1 | Контролен панел | 2 | Бутилки |
| 3 | Колан за шишета | 4 | Сензор за хранене с шише |
| 5 | структура за фиксиране на бутилки | 6 | Инжектиране на изплакване |
| 7 | Електростатична фурма | 8 | Точка за фиксиране на бутилки |
| 9 | Колан за извеждане на бутилки | 10 | Водеща лента |
Основен параметър на ротационна перална машина с автоматичен въздух за стъклени бутилки:

Модел: VK-BR
Подходящ за бутилка: 20-1000 мл
Производствен капацитет: 8 почистващи дюзи: 3600~4800bph
Диапазон на въздушното налягане: 6~8kg/cm2
Разход на въздух: 25m3/h
Захранване: 220V 50/60Hz
Консумирана мощност: 0.75Kw
Шум от една машина: ≤70dB
Пречистен въздух: 0,2μm
Време за почистване: 3~5s
Нетно тегло: 350 кг
Габаритни размери: 1200 x 800 x 1600 мм
Машина за пълнене на масло с 4 глави, линеен пълнител

Машината за пълнене на маслини с 4 глави, управлявана от микрокомпютър, съчетава фотоелектричеството с пневматична работа, като по този начин се прилага широко за течно пълнене на селскостопански химикали, разтвори, течни почистващи препарати, козметика, както и маслини.
Обемът на пълнене е прецизен, без пяна и стабилен. Машината може да напълни течността в диапазона от 25-1000 ml, като междувременно няма специални изисквания за формите на бутилките. Това означава, че може да напълни течността както за нормалните бутилки, така и за бутилките с форма на иругула.

Модел: VK-PF
Обхват на пълнене: 50~3000ml
Скорост на пълнене: <20-30b/m(за 500-1000ml течност)
Точност: ±1%
Мощност/захранваща мощност: 0.8kw、220v
Работно налягане: 5~6kg/cm3
Консумация на въздух: 0.5-0.7mpa
NW: 500 кг
Външен размер: 2000 × 800 × 1900 мм
марка: Дюзите за пълнене могат да бъдат проектирани и произведени според изискванията на клиентите относно диапазона на пълнене и скоростта на пълнене
Машина за линейно вакуумно затваряне Vk-Vc Оборудване за затваряне на буркани:
Тази машина за линейно затваряне е проучена и разработена от нашата компания с дългогодишен опит, тя е уникална в страната. Интегрирано автоматично подреждане на капачки с покритие, вакуумно затваряне.
Приета ръчна вакуумна помпа за постигане на висок вакуум. С функциите без бутилка без покритие, тревожно, когато няма налични капачки. Радваше се на висока автоматизация. Основните пневматични и електрически части са от световно известни марки.
Със стабилна и надеждна работа. Използва се широко за вакуумно затваряне на стъклени буркани с железни капачки в индустриите на консервирани храни, напитки, подправки, продукти за здравеопазване и др.

Мощност: ≤2.3KW(включително вакуумната помпа)
Производствен капацитет: 50-60BPM
Диаметър на капачката: ¢30-¢55 mm ¢50-¢85 mm
Височина на бутилката: 80-250 мм
Диаметър на бутилката: ¢30-¢85 мм
Максимален вакуум: -0.08mpa
Усукване на капака: 5-20N.M
Консумация на въздух: 0.6M3/0.7Mpa
Размери на машината: около 3000 × 1000 × 1900 мм
Тегло: около 850 кг
Машина за етикетиране на кръгли бутилки и буркани Vk-Rpl

Приложение: Изисква периферна повърхност на мембраната, прикрепен етикет или продукт.
Индустрия: Широко използван в хранително-вкусовата, медицинската, козметичната, козметичната, електронната, металната, пластмасовата и други индустрии.
Приложение: Етикетиране на PET кръгли бутилки, етикетиране на пластмасови бутилки, консерви и др.

Подходяща дължина на етикета (mm): 20mm ~ 314mm
Приложима ширина на етикета (широчина на подложката / mm): 15 mm ~ 150 mm
Диаметър на приложимите продукти (за кръгла бутилка) и височина: диаметър: φ25mm ~ φ100mm
Височина: 25mm ~ 230mm
Приложим стандартен диаметър на ролката (mm): φ280 mm
Приложим стандартен диаметър на ролката (mm): φ76 mm
Точност на етикетиране (mm): ± 1mm
Стандартна скорост (m/min): Серво: 5 ~ 25m/min Стъпка: 5 ~ 19m/min
Скорост на етикетиране (бр / мин): Стъпка: 30 ~ 80 бр / мин (с размера на бутилката и етикета)
Серво: 40 ~ 120бр/мин
Скорост на конвейера (m / min): 5 ~ 25m / min
Тегло (кг): около 185 кг
Честота (HZ): 50HZ Напрежение (V): 220V
Мощност (W): 530W (тяга степер) 980W (тяга серво)
Размери на устройството (mm) (Д × Ш × В): 1950 мм × 1100 мм × 1300 мм


Опаковка от дървена кутия:

Следпродажбено обслужване за линия за пълнене

Ние гарантираме качеството на основните части в рамките на 12 месеца. Ако основните части се повредят без изкуствени фактори в рамките на една година, ние ще ги предоставим безплатно или ще ги поддържаме вместо вас. След една година, ако трябва да смените части, ние любезно ще ви предоставим най-добрата цена или ще я поддържаме във вашия сайт. Винаги, когато имате технически въпрос при използването му, ние ще направим всичко възможно, за да ви подкрепим.
Гаранция за качество:
Производителят гарантира, че стоките са изработени от най-добрите материали на производителя, с първокласна изработка, чисто нови, неупотребявани и отговарящи във всички отношения на качеството, спецификацията и производителността, както е посочено в този договор. Гаранционният срок за качество е в рамките на 12 месеца от датата на B/L.
Производителят ще ремонтира договорените машини безплатно по време на гаранционния период на качеството.
Ако повредата може да се дължи на неправилна употреба или други причини от страна на Купувача, производителят ще събере разходите за ремонтни части.
Инсталиране и отстраняване на грешки:
Продавачът щеше да изпрати своите инженери, за да инструктират инсталирането и отстраняването на грешки. Разходите ще бъдат за сметка на купувача (самолетни билети за отиване и връщане, такси за настаняване в страната на купувача). Купувачът трябва да предостави помощ на своя сайт за инсталиране и отстраняване на грешки.









