
- Скорост на затваряне: 15-30 броя/мин
- Номинално напрежение: 110V/60Hz (US Standard)
- Мощност на машината: 0.8KW
- Ампер: 2.2A
- Външен размер: 2230*1460*1600 MM(L*W*H)
- Налягане на въздуха: 0,7 MPa
- Тегло: Около 300 кг
Уведомяване преди стартиране на машината за затваряне на бутилки
1: Преди да включите машината в контакта, уверете се, че превключвателят на захранването е в затворено състояние и след това следвайте инструкциите.
2: Ако машината не работи дълго време, тя трябва да се избърше с парче суха кърпа и не трябва да се почиства с корозивни почистващи препарати.
3: Строго е забранено изпръскването на каквато и да е течност в електрическата кутия на машината, за да се избегне корозия на вътрешните електрически компоненти и причиняване на късо съединение.
4: Проверете според опаковъчния списък на оборудването, моделите, спецификациите и количеството на оборудването и материалите, за да се уверите, че отговарят на изискванията на стандартите за дизайн и продукти и са придружени от сертификати за съответствие.
5: Проверете външния вид на оборудването, за да се уверите, че няма деформация, повреда и корозия, както и че всички шпиндели трябва да се въртят гъвкаво без никакво блокиране.
6: Тази машина работи при еднофазен променлив ток 110 V и плоският 3-крак захранващ щепсел трябва да бъде включен в електрическия контакт със заземяващ проводник.
Технически параметри

- Скорост на затваряне: 15-30 броя/мин
- Номинално напрежение: 110V/60Hz (US Standard)
- Мощност на машината: 0.8KW
- Ампер: 2.2A
- Външен размер: 2230*1460*1600 MM(L*W*H)
- Налягане на въздуха: 0,7 MPa
- Тегло: Около 300 кг
Машина за затваряне в подробности:



Структури на машината

Описание на електрическото око на оптичното влакно
Електрическо око за откриване на бутилки:

Когато работи в автоматичен режим, целта на това електрическо око е да открива входящи бутилки.
Когато бъде засечена входящата бутилка, "грамофона" се завърта.
Електрическо око за доставка на капак

Когато работи в автоматичен режим, целта на това електрическо око е да открива входящи корици.
Когато се засече входящия капак, "механизмът за изваждане" се повдига за вземане на материал.
Електрическо око за доставка на капак

Когато работи в автоматичен режим: Целта на това електрическо око е да открива входящи бутилки.
Когато входящата бутилка бъде открита, "механизмът на заключващата капачка" завърта заключващата капачка надолу.
Бутон за превключване и порт за окабеляване
Сензорен екран и аварийно спиране

Захранващ двигател и контролер на вибрационната плоча на капака

Контролер за вибрационна плоча

Контролер на вибрационната плоча: Чрез регулиране на напрежението регулирайте скоростта на разреждане.
Ключ и контакти

Мотор контролер

Честотен трансформатор: Чрез регулиране на бутона на честотния трансформатор регулирайте скоростта на двигателя.
Метод за аларма и отстраняване на неизправности:
1. Натиснат е аварийният стоп. Натиснете аварийните ограничители на капака на машината и до сензорния екран.
2. Изходът достига зададената стойност. Задайте изхода, натиснете бутона за изчистване, за да изчистите текущия изход.
3. Когато капачките не се откриват за дълъг период от време, моля, проверете. Проверете индукционното влакно на капачката на бутилката дали е добре осигурено. Проверете дали капачките са поставени или не.
4. Когато бутилките не бъдат открити за дълъг период от време, моля, проверете. Проверете дали бутилките са на мястото си.
Електрическо регулиране на очите:
Структура на усилвателя

Диаграма за оптично влакно:

1. Заключваща лента за оптични влакна
2. Индикатор за работно състояние
3. Комплект
4. DSC светлинен индикатор
5. Цифров монитор
6. Ръчен бутон
7. Разширено защитно покритие
8. Конектор за разширение
9. Превключвател за избор на мощност
10. Бутон за режим
11. Изходен селектор
12. Кабели
13. Протектор против прах
14. Задайте стойност (в зелено)
15. Текуща стойност (в червено)
Работен процес за оптична настройка
- Когато електрическото око попадне в празнината, стойността на червения ток е 144.
- Когато електрическото око попадне върху етикета, червената стойност на тока е 4.
- Регулирайте зададената стойност", около 1/2 от стойността, на която електрическото око е върху хартията на тялото (в пролуката между обектите, които трябва да бъдат открити) и стойността, на която електрическото око е върху хартията, зададената стойност е (144 4)/2=74, регулирайте ръчния бутон, за да регулирате зададената стойност на 74.
- Преместете празнината на етикета напред-назад в местоположението на електрическото око и червената „сигнална светлина/индикаторна светлина“.
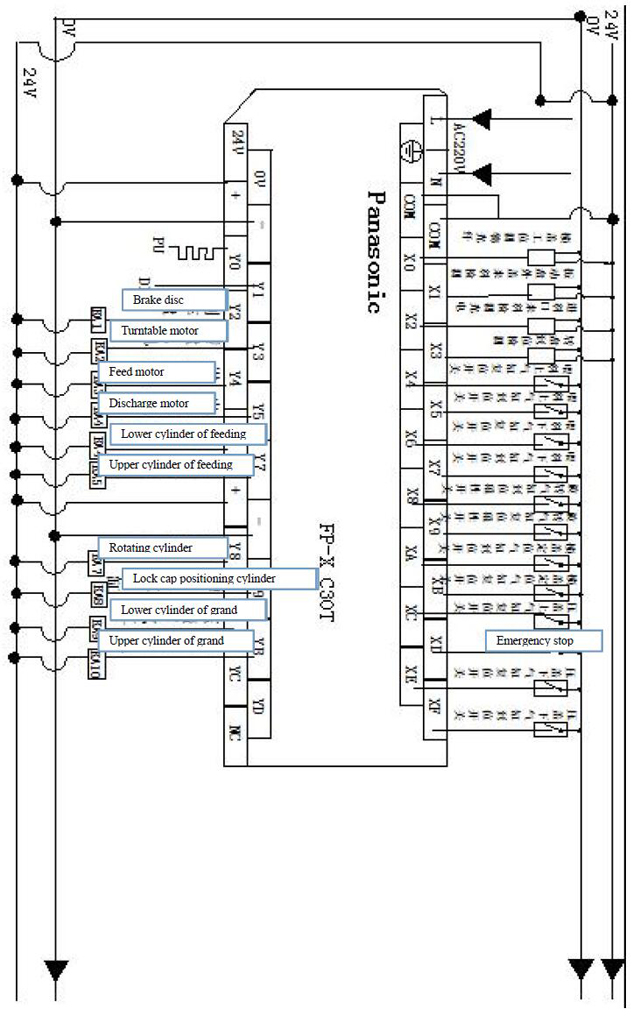
Електрическа схема



Машина за затваряне на бутилки за поддръжка

1. Необходимо е да се провери и поддържа машината, за да се удължи машината и да се оптимизира функцията на машината;
- Работната машина трябва да се поддържа на всеки три месеца;
- Частта на лагера и зъбното предаване трябва да се смаже с греста;
- Смазването трябва да се извършва периодично;
- Маслото за плъзгане (N68) трябва да се добавя към част като движение на възвратно-постъпателния механизъм или повдигане два пъти всеки ден;
- Автомобилното масло (N68) трябва да се добави към въртящите се или люлеещи се части;
- На всеки половин месец добавяйте смазката в слота на гърбицата;
- Всеки месец веднъж за маслена дюза чрез добавяне на грес;
2. Никога не използвайте метални инструменти, за да удряте или изстъргвате повърхността, където свързването е натрупано върху части като компоненти или мухъл.
3. Ако машината спре да работи за дълго време, добавете грес за смазване в частите като трансмисия или лагерна част; Обработете машината и с водоустойчива защита.
4. Никога не поставяйте никакви предмети върху машината, за да не я повредите.
5. Периодично почиствайте праха вътре в компонентите, също така проверявайте всички винтове и фиксирайте всички разхлабени винтове.
6. Проверете винтовете в клемите за окабеляване в определено време и се уверете, че винтът е фиксиран;
7. Проверете дали има някаква разхлабена станция в опънатия кабелен път от електрическите кутии; Ако частта е твърде разхлабена, фиксирайте отново винта, за да избегнете абразия или повреда в изолационния слой, което може да причини изтичане на електричество.
8. Проверявайте лесно износващите се патове и сменете навреме повредените;









