
- Затварящи глави: 2 бр серво-мото задвижване
- Напрежение: 220V, 50/60HZ;
- Мощност: 3.0Kw
- Въздушно налягане: 0,5–0,7Mpa
- Ампер: 8.5A
- Скорост: 40-45/мин (персонализирани според формите и размерите на бурканите)
- Диаметър на подходящ продукт: φ28-φ125mm капаци(Нестандартни персонализирани)
- Степен на пропускане на жлезата: ≥99,5% (в зависимост от грешката на капака и бутилката)
- Размер на машината: 3300*1150мм*1908мм
- Тегло: 450 кг
Преди да включите захранването на машината. Моля, прочетете внимателно това ръководство за безопасност и правилното използване на машината. За да избегнете злополуки с персонал и да намалите честотата на повредите на машината.
В случай на корозивни продукти, внимавайте да избегнете докосването или пръскането на корозивни предмети върху самата машина и персонала.
- Избягвайте да използвате машината на места, подложени на вибрации или сблъсък.
- Когато машината работи, тялото на персонала не може да докосне движещите се части.
- Машината трябва да се избягва на прекалено влажни места. И го вкарайте в захранването, заземяващият проводник е заземен правилно, за да избегнете безопасен инцидент.
- Операторът трябва да поддържа нормално физическо и психическо състояние. Ако приемате алкохол, сънотворни или други лекарства, които са вредни за вашето психическо състояние, спрете да работите с машината.
- Операторът трябва да носи подходящо облекло, за да избегне нараняване, причинено от намесата на облеклото в търкалящите се части, и не трябва да поставя никакви външни предмети върху машината.
- Ако се появи шум или други аномалии по време на употреба, спрете незабавно и проверете. Техници, които не са инженери, моля, не прехвърляйте произволно машинни части.
- Редовна (веднъж/седмично) поддръжка и грижа, избягване на пръскане с вода или всякакви течности и електронни контролни кутии или други електрически компоненти при почистване на машината.
- Моля, работете според нормалните работни процедури и поддържайте повърхността на машината чиста и подредена.
Машината за затваряне се прилага за всички видове козметика, медицина, ветеринарна медицина, пестициди, смазочни масла и други индустриални области в процеса на опаковане.





Принцип и характеристики на машината за затваряне на буркани:
- Електрическо автоматично управление, то е стабилно;
- С позициониращо устройство за затваряне, стандартен заключен капак, работата е удобна;
- Заключване обхваща широк диапазон, може да върти различни форми спецификации на капачката;
- Скоростта на ограничаване, затворът на въртенето, едновременно може също така да регулира стегнатостта на пренавиване според необходимостта.


Основни параметри на машината за затваряне на козметични буркани:

1. Затварящи глави: 2 бр серво-мото шофиране
2. Напрежение: 220V, 50/60HZ;
3. Мощност: 3.0Kw
4. Въздушно налягане: 0,5--0,7Mpa
5. Ампер: 8.5A
6. Скорост: 40-45/мин (персонализирани според формите и размерите на бурканите)
7. Подходящ диаметър на продукта: φ28-φ125mm капаци(Нестандартни персонализирани)
8. Скорост на пропускане на жлеза: ≥99,5% (в зависимост от грешката на капака и бутилката)
9. Размер на машината: 3300 * 1150 мм * 1908 мм
10. Тегло: 450 кг
Описание на частта на хоста


Превключвател на захранването: Контролирайте захранването вкл.--изкл.
Индикатор за захранване: захранване - включена зелена светлина, изключено захранване --- зелена светлина изключена.
Аварийно спиране: Използва се за незабавно спиране на машината или за нулиране на функцията по време на авария или повреда.
1. Стартирайте фотоелектрически: Машината работи, когато фотоелектрическото откриване установи, че има бутилка и има капак, грамофона може да започне да работи. Ако един от двата фотоелектрика не бъде открит, грамофона не се върти.
2. Произход фотоелектричен: Използва се за управление на стъпковия двигател за задвижване на позиционирането на въртящата се поставка, така че бутилката да може да се постави гладко в капака.
3. Капачка за фотоелектричество: Проверете дали капакът е на мястото си и фотоелектрически установете, че има въртяща се поставка за капак, която да се завърти.
4. Покрийте фотоелектричеството: Контролиране на старта и спирането на машината за горен капак, когато покритието, предоставено от машината за горен капак, е сортирано до позицията, открита от фотоелектрика, фотоелектричеството е винаги ярко, машината за капак спира за капака и интелигентното покритие е внедрено .
5. Фотоелектричество на капака на ключалката: Когато бутилката с капака премине, фотоелектрическото откриване се открива и заключващият капак се задейства според зададеното време на забавяне (специфичните параметри се регулират според скоростта на конвейерната лента, когато машината се регулира).
6. Система за заключване на капака: Бутилката с капака е същата, фотоелектрическото забавяне на старта, забавяне към бутилката със скоба на цилиндъра, заключващата капачка е спусната, капакът на ръкохватката - винтовата капачка - освобождаването на захващащото устройство - заключващата капачка се издига - бутилката с щипката е разхлабена, и процесът на затваряне на капачката е завършен. В капака на ключалката, когато капакът на ключалката 1 # е в капака на ключалката, влиза друга бутилка. По това време цилиндърът на бутилката със скоба 2# се движи и заключващият капак 2# се активира, за да заключи капака. (Когато капачката, която е била заключена от заключващата глава 2#, премине през бутилката с щипка 1#, не повтаряйте капак на ключалката.

Описание на интерфейса човек-машина

Страница за зареждане
3.1 Страницата за зареждане има английски, китайски избор на операции, ако изберете китайския бутон, влезте в следния интерфейс:

Втори интерфейс
стоп: Превключвателят за стартиране на цялата машина, докоснете този бутон, машината работи в автоматичен режим, докоснете отново този бутон, машината спира да работи.
Тестова врата: Тествайте работата на машината.
Скорост на въртящата се маса: Колкото по-голям е параметърът на скоростта, толкова по-висока е скоростта, толкова по-бавен е параметърът на скоростта.(Но има максимално ограничение.)。
Закъснение на грамофона: Настройки на времето за стартиране на грамофона, в съответствие с плавния ефект на грамофона, който да зададете.
Ограничаване на забавянето: След грамофона до определената станция, забавете времето за изчакване, капачката за действие на цилиндъра.
Време за затваряне: Времето, необходимо за запечатване на цилиндъра.
Изход: Попълнете записа на броя на капака на ключалката, удобен производствен брой. Натиснете клавиша за нулиране, за да изчистите.
X1. X3. X14: Проверете дали фотоелектрикът е в работно състояние на отражението, лесно да видите работата на състоянието на машината,
Параметър за ограничаване: Натиснете този клавиш и влезте в следния интерфейс:

Интерфейсът е страница с параметри, която трябва да се зададе за всяко действие на 1 # заключваща глава в системата на капака на серво бравата, разумната настройка на параметрите е от полза за стабилността на машината и подобряването на ефективността.
Връщане: Натиснете този бутон, за да се върнете към втория интерфейс.
I/O: Натиснете този бутон, за да влезете в следния интерфейс:

Точки от серия X: Това е входна точка за откриване дали фотоелектрикът е в работно състояние, лесен за виждане на работата на машината, лесна поддръжка.
Точки от серията Y: Е изходната точка на изпълнителните компоненти на нормалното състояние на обратна връзка, може също ръчно да натиснете контролния клавиш, за да проверите дали изпълнителните компоненти са нормални.
Система за подаване на капачки: Може да бъде стабилен и подреден според предписаната посока за покриване.
Регулиране на наклона: разумен ъгъл може да се регулира, за да се контролира обратният капак не се изкачва в плъзгача.
Регулиране на честотния преобразувател: контролирайте скоростта на капака.


Поддръжка на оборудване за затваряне на буркани:
1. Поддържайте машината при изключено захранване и газ, за да се гарантира безопасността. Поддържайте машината чиста и подредена, без други предмети по машината, без дребни предмети, принадлежности, болтове и др.
2. И смазочното масло се добавя редовно към механизма на движещата се част, за да се осигури добро работно състояние на механизма.
3. Редовно изпускайте вода от въздушния филтър и добавяйте смазочно масло, за да осигурите правилното използване на цилиндъра и да удължите живота му.
4. Редовно проверявайте и ремонтирайте машината. Преценете работното състояние на оборудването чрез зрение и слух, за да сте сигурни, че машината работи добре.
Забележка: моля, използвайте и поддържайте в строго съответствие с инструкциите, гаранционният период е строго забранен за отваряне и разглобяване, в противен случай щетите, причинени от това като човешки щети, без безплатен ремонт. Тази инструкция подлежи на промяна без предупреждение; ако все още има някаква несигурност относно работата на тази машина, моля, обадете ни се по всяко време за запитвания
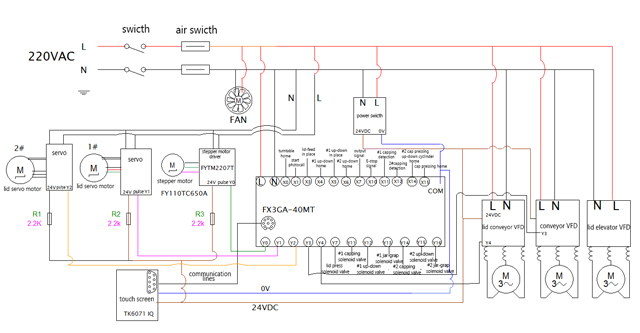
Приложена електрическа схема:

Готови запечатани капачки проби от машината за затваряне на буркани:





марки: за квадратните черни буркани, тъй като капачките са податливи на надраскване, той е проектиран със система за прибиране, за да издърпа капачките на бурканите от тавите и да ги постави в готовата за затваряне станция за процес на затваряне. Подробният принцип на работа е илюстриран, както следва: Работен процес:
1. Ръчно поставяне на капачките в тавата (15*15 или 10*10)

2. Поставяне на тавите в готовата пикап станция
3. Роботи събират бурканите

4. Позициониране на бутилките и завършване на процеса на затваряне
5. Изход от затворени буркани











